尊敬的客户您好,欢迎进入山东聚辰环保设备有限公司网站!

脱硫脱硝整体解决方案提供商源头厂家经验丰富售后完善

客户24小时服务热线:0533-5063777
0533-5067999

您的位置:首页>>技术交流
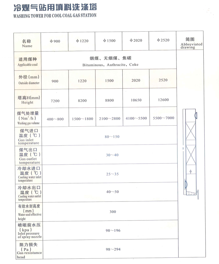
冷煤气站用填料洗涤塔
冷煤气站用填料洗涤塔

服务热线:

0533-5063777
0533-5067999